Introduzzjoni
Dan il-konvertitur tal-enerġija iżolat ultra-rqiq għandu iżolament imtejjeb ta' 1500VDC u huwa ddisinjat għal applikazzjonijiet ristretti fl-ispazju-bħal tagħmir li jintlibes, nodi IoT, kontrolluri tad-drone, u għodod kirurġiċi robotiċi.
Vantaġġ
Protezzjoni Intelliġenti
Input undervoltage lockout fi 13 V u output short-circuit auto-recovery jiżguraw tħaddim sikur u affidabbli.
Kontroll ta 'Vultaġġ ta' Preċiżjoni
Iżomm regolazzjoni ta '±1% minn -55 grad sa 105 grad, b'pinnijiet Sense+/- li jippermettu aġġustament tat-tagħbija ta' ±2% f'1 m.
Kompatibilità Loġika Wiesgħa
Il-pin ON/OFF jappoġġja sinjali 3.5 V–25 V għal integrazzjoni flessibbli fuq il-pjattaformi.
Reżiljenza Termali
Jopera b'mod stabbli sa temperatura tal-pjanċa tal-bażi ta '105 grad u jiflaħ 500 ċiklu termali (-55 grad ⇄ 125 grad).
Iżolament Għoli u Affidabilità
Iżolament rinfurzat ta '1500 VDC skont IEC 62368-1, ISO 7637-2 konformi, b'reżistenza ta' 500 siegħa f'95% RH / 60 grad.
Prestazzjoni tal-Vibrazzjoni robusta
Jiżgura devjazzjoni minima tal-output (0.1%) taħt vibrazzjoni ta '50 g, verifikata mill-ittestjar SGS.
Speċifikazzjoni
|
Serje ta' prodotti |
Numru tal-mudell |
Firxa tad-dħul Vdc |
Vultaġġ tal-ħruġ Vdc |
Kurrent tal-ħruġ @Tagħbija Sħiħa A |
Effiċjenza % |
Ripple u storbju mV p-p |
Tagħbija massima tal-kapaċitatur uF |
|
G |
LM28S5G15-NNMG |
16-40 |
5.0 |
3 |
82 |
15 |
2000 |
|
LM28S12G15-NNMG |
16-40 |
12 |
1.25 |
85 |
20 |
470 |
|
|
LM28S15G15-NNMG |
16-40 |
15 |
1 |
81.5 |
50 |
1000 |
|
|
LM28S5G15-NNMG |
16-40 |
5.0 |
3 |
82 |
15 |
2000 |
|
|
I |
LM28S5I10-NNMG |
16-40 |
5.0 |
2 |
86 |
50 |
680 |
|
LM28S12I30-NNM |
16-40 |
12 |
2.5 |
89 |
50 |
1000 |
|
|
LM28S28I50-NNM |
16-40 |
28 |
1.8 |
90 |
150 |
1000 |
|
|
LM28S24I50-NNM |
16-40 |
24 |
2.1 |
90 |
150 |
1000 |
|
Parametru |
Min |
Tipiku |
Max |
Unità |
Kundizzjonijiet |
|
Firxa tal-vultaġġ tad-dħul |
16 |
28 |
40 |
Vdc |
Il-mudelli kollha |
|
Vultaġġ ta 'iżolament |
- |
- |
1500 |
Vdc |
Input-output/każ |
|
Frekwenza tal-bidla |
- |
330 (serje G); 300 (serje I) |
- |
kHz |
Input nominali |
|
Temperatura operattiva |
-55 |
- |
105 |
grad |
H.Eż. temperatura esterna |
|
MTBF |
2 |
- |
- |
Mhrs |
MIL-HDBK-217F |
|
Piż |
- |
10 (serje G); 20 (serje I) |
- |
g |
- |
Dettalji tad-Disinn
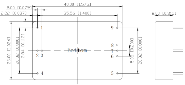
Dimensjonijiet mekkaniċi:32.0(L) × 19.3(W) × 7.0(H) mm (industrija -Serje G standard)

Dimensjonijiet mekkaniċi:40.0(L) × 26.0(W) × 8.0(H) mm (industrija-Serje standard I-)

Konfigurazzjoni tal-pin:
|
Serje G |
||
|
Pin |
Denominazzjoni |
Funzjoni |
|
1/2 |
Vin+ |
Vultaġġ ta' input pożittiv |
|
10 |
NC |
Ebda Konnessjoni |
|
11/12 |
Vout- |
Vultaġġ tal-ħruġ negattiv |
|
13/14 |
Vout+ |
Vultaġġ tal-ħruġ pożittiv |
|
15 |
NC |
Ebda Konnessjoni |
|
16 |
Ittrimmja |
Aġġustament tal-vultaġġ tal-ħruġ |
|
20 |
ON/OFF |
Terminal tal-kontroll mill-bogħod |
|
23/24 |
Vin- |
Vultaġġ tad-dħul negattiv |
|
I Serje |
||
|
Pin |
Denominazzjoni |
Funzjoni |
|
1 |
Vin+ |
Vultaġġ ta' input pożittiv |
|
2 |
NC |
LE Pinnijiet |
|
3 |
ON/OFF |
Terminal tal-kontroll mill-bogħod |
|
4 |
Vin- |
Vultaġġ tad-dħul negattiv |
|
5 |
Vout- |
Vultaġġ tal-ħruġ negattiv |
|
6 |
NC |
LE Pinnijiet |
|
7 |
Ittrimmja |
Aġġustament tal-vultaġġ tal-ħruġ |
|
8 |
NC |
LE Pinnijiet |
|
9 |
Vout+ |
Vultaġġ tal-ħruġ pożittiv |
Innovazzjoni Termali: pjanċa bażi ta 'liga ta' l-aluminju b'reżistenza termali ta '10 gradi /W (konvezzjoni naturali)
Immuntar: Saldjar standard minn-toqba b'dijametru ta 'pin ta' 1.5mm
applikazzjoni




Dak li Noffru
Personalizzazzjoni Rapida:Turnaround ta '48 siegħa għal vultaġġi speċjali
Immudellar Termali Ħieles:Simulazzjonijiet CFD għal disinji kompatti
Garanzija ta' 3 Snin:Kopertura estiża ta'-grad industrijali
Proto Kits:Jinkludi bord ta 'evalwazzjoni + softwer GUI
Konsulenza EMC:Servizzi ta' ttestjar ta' qabel-konformità
Garanzija taċ-ċiklu tal-ħajja:Provvista kontinwa ta '10 snin
Għaliex Sieħeb magħna
Kapaċità qawwija ta 'R&D
1800+ impjegati b'70% fl-R&D imexxu innovazzjoni kontinwa fir-radar, l-AI, u t-teknoloġiji elettroniċi.
Esperjenza Industrijali estensiva
Aktar minn 20 sena qed iwasslu soluzzjonijiet prattiċi għal applikazzjonijiet-dinja reali.
Servizz ta 'Personalizzazzjoni flessibbli
Il-prodotti u s-sistemi jistgħu jitfasslu skont il-ħtiġijiet tal-klijenti, u jappoġġjaw is-soluzzjonijiet tal-OEM u tal-proġett.
Bażi ta' Manifattura fuq Skala {{0}Kbira
Faċilità ta 'produzzjoni ta' 20,000 m² tiżgura kapaċità ta 'produzzjoni stabbli u kontroll tal-kwalità affidabbli.
Iċ-Ċertifikat tagħna
Il-prodotti tagħna jikkonformaw ma 'standards internazzjonali ta' kwalità u sikurezza bħal CE, FCC u ISO.




FAQ
It-tags Popolari: ultra-konvertitur tal-qawwa iżolat irqiq, iċ-Ċina ultra-manifatturi tal-konvertitur tal-qawwa iżolat irqiq, fornituri, fabbrika











